网站首页 网站公告 关于我们 产品中心 新闻中心 联系我们 售后服务 营销网络 访客留言
 
   产品分类
   联系我们

联系人:赵志伟

电话:0312-3617111

手机:15030228933   

传真:0312-3892280

邮件:hbzzkh@163.com

地址:河北省涿州市双塔区大石桥西107国道西 

北京地址:大兴区西红门镇兴亦路路北新建段

网址:www.hzzkh.com          www.hbzzkh.com

   立式加工中心 >
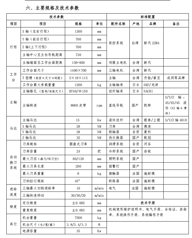
立式加工中心1370

1370参数.png

上一产品:立式加工中心
下一产品:立式加工中心1580
 

涿州市科宏机电设备有限公司    阿里巴巴商铺  科宏机电专业机床销售  廊坊分公司   北京分公司